0086 15335008985
Přehled pneumatického pohonu AKW
AKW pneumatické ovladače jsou rozděleny na dvojitě působící a jednorázové (jarní návratnost), dva rozdělené válce, velký výstupní točivý moment, flexibilní a stabilní účinek; Pístová tyč je tvrdě chromovaná, s dobrou antiabrosivitou; Všechny posuvné části jsou vybaveny mazanými ložisky bez oleje nebo vodicími kroužky, aby se snížil koeficient tření a prodloužil životnost.
C-křivka charakteristický výstupní točivý moment AKW pneumatického ovladače je vhodnější pro kulové ventily velkého průměru a motýlí ventily. Osoby se široce používá v různých ventilech, jako jsou regulační ventily, kulové ventily, motýlí ventily, brány, kalové ventily, stopkové ventily a ventily zástrčky. Je to ideální zařízení pro realizaci vzdáleného centralizovaného nebo individuálního ovládání potrubí průmyslové automatizace.
Standardní parametry AKW Scotch Yoke Pneumatic
Základní design
Pneumatický dvojitý válec s dvojitým pístem typu vidlice rotující mechanismus
Model Akwxx = dvojité herectví
Model AKWXXS = Single Acting (jarní návratnost)
Úhel rotace
Dvojité herectví = 90 °
Jediné herectví = 90 °
Nastavitelný úhel z obou konců 5 ° ~ 5 °
Tlak zdroje vzduchu: 0,4 ~ 0,7MPa (maximum 1,0 MPa)
AKW Scotch Yoke Pneumatic Actuator Structure
A: Výstupní hřídel
Výstupní točivý moment je velký, akce je flexibilní a stabilní; Půda pístů je tvrdě chromovaná, která má dobrý odpor opotřebení; Všechny posuvné části jsou vybaveny mazanými ložisky bez oleje nebo vodicími prsteny, aby se snížil koeficient tření a prodloužil životnost
B: Zvládněte kolo
Když je obvod nebo plynová potrubí odříznuto nebo dojde k poruše, ventil se automaticky uzavře nebo otevře pružinu a rukojeť může být otočena tak, aby se otevřela nebo zavřela ventil.
C: Nastavovací šrouby
Dva samostatné nastavovací šrouby na vnější straně jsou přesnější a pohodlnější pro pohon nainstalovaný na ventilu pro nastavení otevřené a uzavřené polohy ventilu. Pokud je vyžadována úprava plného zdvihu, na obou koncových krytech jsou také nakonfigurovány delší šrouby.
D: válec
Tělo válce je vyrobeno z tažného železa, vnitřní povrch je potažen PTFE a vnitřní díra je přesně obráběna, která má delší životnost a koeficient s nízkým třením.
E: Velikost připojení
V souladu s mezinárodními standardy ISO5211
F: Jarní válec
Když je okruh nebo plynová vedení odříznuto nebo dojde k poruše, ventil se automaticky uzavře nebo otevře jaro (nelze jej rozebrat bez vedení profesionálů)
G: CAST box
Postaveno tažnou železnou
Funkce a příslušenství AKW Scotch Yoke Pneumatic
Dvojitý působící pneumatický ovladač: ovládání dvou polohy otevírání a uzavření ventilu.
Typ resetování pružiny: Když je obvod nebo plynový potrubí odříznut nebo dojde k poruše, ventil se automaticky otevře nebo zavře.
Jednolevní solenoidový ventil: ventil se otevírá nebo zavírá, když je napájení dodáno, a uzavírá nebo se otevře, když je napájení vypnuto (typ odolné proti výbuchu je k dispozici).
Dvojitý elektrický solenoidový ventil: Ventil se otevírá, když je jedna cívka pod napětím, a ventil se uzavře, když je druhá cívka pod napětím, s funkcí paměti (je k dispozici typ odolné proti výbuchu).
Zpětná vazba na limitní přepínač: Přenos signálu polohy ventilu spínače ventilu na dlouhé vzdálenosti (typ odolné proti výbuchu je k dispozici).
Elektrická polohovače: Podle aktuální velikosti signálu (standardní 4 ~ 20 mA) je střední tok ventilu regulován a kontrolován. (Typ odolné proti výbuchu je k dispozici).
Pneumatická polohovače: Podle velikosti tlakového signálu vzduchu (standardní 0,02 ~ 0,1MPA) je regulován a kontrolován střední průtok ventilu.
Elektrický převodník: Převádí proudový signál na signál tlaku vzduchu a používá se ve spojení s pneumatickým polohovačem (typ odolný proti výbuchu je k dispozici).
Zdroj zdroje vzduchu Triplex: včetně ventilu snižujícího tlak vzduchu, filtru, sběratele olejové Mlhy, který může stabilizovat tlak zdroje vzduchu, čistit a namazat pohyblivé části.
Manuální provozní mechanismus: Automatické ovládání lze ovládat ručně za abnormálních podmínek.
Akw Scotch Yoke Pneumatický výstupní moment pohonu
Jediný herecký typ
| Model | Tlak zdroje vzduchu (MPA) | |||
| 0.4 | 0.5 | 0.6 | 0.7 | |
| AKW13 | 408 | 510 | 612 | 714 |
| AKW17 | 990 | 1238 | 1485 | 1733 |
| AKW20A | 1248 | 1560 | 1872 | 2184 |
| AKW20 | 1923 | 2404 | 2885 | 3366 |
| AKW25 | 3406 | 4257 | 5108 | 5960 |
| AKW28 | 4616 | 5770 | 6924 | 8078 |
| Model | Jarní točivý moment | Tlak zdroje vzduchu MPA | ||||||
| 0.4 | 0.5 | 0.6 | ||||||
| Min | Max | Min | Max | Min | Max | Min | Max | |
| AKW13 | 182 | 324 | 84 | 226 | 186 | 328 | 288 | 430 |
| AKW17S | 526 | 664 | 326 | 464 | 574 | 712 | 822 | 960 |
| AKW20AS | 553 | 823 | 425 | 695 | 737 | 1007 | 1049 | 1319 |
| Akw20 | 902 | 1510 | 413 | 1021 | 894 | 1502 | 1375 | 1983 |
| AKW25S | 1534 | 2529 | 877 | 1872 | 1728 | 2723 | 2579 | 3574 |
| AKW28S | 2106 | 3504 | 1076 | 2510 | 2230 | 3664 | 3384 | 4818 |
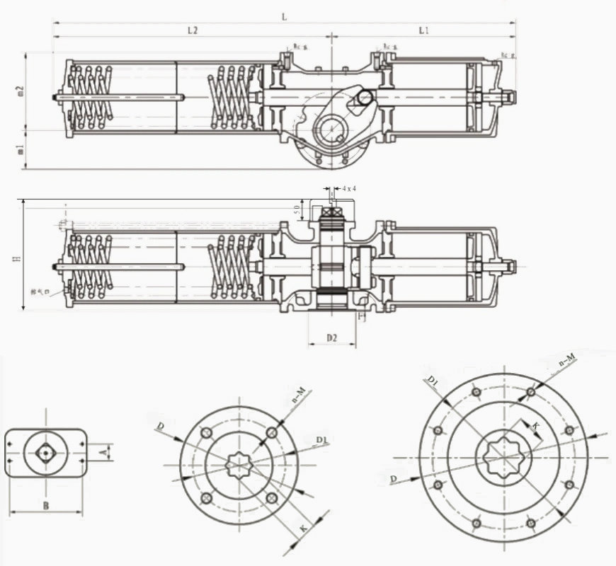
AKW Scotch Yoke Pneumatic Actuator Velikost a rozměry
Jediný herecký typ
| Jedno herecké rozměry | |||||||||||||||
| Model | L | L1 | L2 | H | RC-G | M1 | M2 | D | D1 | n-m | K | D2 | F | A | B |
| AKW13S | 870 | 324 | 546 | 185 | 3-1/4 " | 88 | 132 | φ175 | φ140 | 4-M16 | φ27 hloubka 30 | φ100 | 4 | 30 | 80 |
| AKW17S | 988 | 378 | 610 | 240 | 3-3/8 " | 105 | 175 | φ205 | φ165 | 4-M20 | φ36 hloubka40 | Φ120 | 4 | 30 | 130 |
| AKW20AS | 1263 | 378 | 885 | 240 | 3-3/8 " | 105 | 175 | φ205 | φ165 | 4-M20 | φ36 hloubka40 | φ120 | 4 | 30 | 130 |
| Akw20 | 1415 | 530 | 885 | 285 | 3-3/8 " | 115 | 232 | φ230 | φ165 | 4-M20 | φ46 Hloubka 50 | Φ130 | 4 | 30 | 130 |
| AKW25S | 1695 | 655 | 1040 | 360 | 3-1/2 " | 150 | 278 | φ300 | φ254 | 8-M16 | φ55 Hloubka 60 | φ200 | 4 | 30 | 130 |
| AKW28S | 1840 | 680 | 1160 | 360 | 3-1/2 " | 150 | 300 | φ350 | φ298 | 8-M20 | φ55 Hloubka 60 | φ230 | 4 | 30 | 130 |
Typ dvojitého herectví
| Dvojité herecké rozměry | ||||||||||||
| Model | L | H | Letecká podpora | M2 | D | D1 | n-m | K | D2 | A | B | |
| RC-G | ml | |||||||||||
| AKW13 | 593 | 185 | 3-1/4 " | 88 | 132 | φ175 | Φ140 | 4-M16 | 27 Hloubka 30 | φ100 4 | 30 | 80 |
| AKW17 | 782 | 240 | 3-3/8 " | 105 | 175 | φ205 | Φ165 | 4-M20 | 36 Hloubka 40 | Φ120 4 | 30 | 130 |
| AKW20A | 888 | 240 | 3-3/8 " | 105 | 175 | φ205 | φ165 | 4-M20 | 36 Hloubka 40 | φ120 4 | 30 | 130 |
| AKW20 | 1098 | 285 | 3-3/8 " | 115 | 232 | φ230 | φ165 | 4-M20 | 46 Hloubka 50 | φ130 4 | 30 | 130 |
| AKW25 | 1309 | 360 | 3-1/2 " | 150 | 278 | φ300 | Φ254 | 8-M16 | 55 Hloubka 60 | φ200 4 | 30 | 130 |
| AKW28 | 1427 | 360 | 3-1/2 " | 150 | 300 | φ350 | φ298 | 8-M20 | 55 Hloubka 60 | φ230 4 | 30 | 130 |














