0086 15335008985
AKQ, AKQM Částečný rotační ovladač 100nm-500nm modely
◆ Struktura je robustní a přijímá dvojité těsnění, které může účinně zabránit vody a prachu během zapojení na místě (IP67/IP68-2M, 48 hodin)
◆ Přímé úhlové cestování
◆ Třífázové, jednofázové a DC napájecí ovladače
◆ obrazovka zobrazení textu více jazyků pro zobrazení stavu a nastavení
◆ Vestavěný logger dat jako standardní funkce
◆ Proveďte místní a vzdálenou analýzu na členech
◆ Jednoduché, snadno ovládatelné a označující funkce
◆ Jednoduchý točivý moment a ovládání polohy pro zvýšení spolehlivosti
◆ Komplexní kontrola a flexibilita indikace
◆ Pro výběr jsou k dispozici vodotěsné nebo výbuchové specifikace
◆ Přímý rozsah točivého momentu 50nm (37IBF TT) -500nm (370IBF FT)
Údaje o výkonu třífázového přepínače AKQ
| Model | Rychlost (RPM) | Točivý moment (n.m) | Napětí napětí (V) | Číslo fáze energie (pH) | Frekvence (Hz) | Motor Power (KW) | Hodnocený proud (A) | Pracovní systém | Hmotnost (kg) |
| AKQ250 | 1 | 250 | 380 | 3 | 50 | 0.04 | 0.57 | S2 (15 minut) | 23 |
| AKQ500 | 0.5 | 500 | 380 | 3 | 50 | 0.04 | 0.57 | S2 (15 minut) | 23 |
| AKQ1000 | 1 | 1000 | 380 | 3 | 50 | 0.04 | 0.57 | S2 (15 minut) | 37 |
| AKQ2000 | 0.5 | 2000 | 380 | 3 | 50 | 0.04 | 0.57 | S2 (15 minut) | 37 |
Údaje o výkonu AKQS jednofázového ovladače typu přepínače
| Model | Rychlost (RPM) | Točivý moment (n.m) | Napětí napětí (V) | Číslo fáze energie (pH) | Frekvence (Hz) | Motor Power (KW) | Hodnocený proud (A) | Pracovní systém | Hmotnost (kg) |
| AKQ250 | 1 | 250 | 220 | 1 | 50 | 0.04 | 1.14 | S2 (10 minut) | 23 |
| AKQ500 | 0.5 | 500 | 220 | 1 | 50 | 0.04 | 1.14 | S2 (10 minut) | 23 |
| AKQ1000 | 1 | 1000 | 220 | 1 | 50 | 0.04 | 1.14 | S2 (10 minut) | 37 |
| AKQ2000 | 0.5 | 2000 | 220 | 1 | 50 | 0.04 | 1.14 | S2 (10 minut) | 37 |
Údaje o výkonu AKQM třífázového regulačního ovladače
| Model | Rychlost (RPM) | Točivý moment (n.m) | Napětí napětí (V) | Číslo fáze energie (pH) | Frekvence (Hz) | Motor Power (KW) | Hodnocený proud (A) | Pracovní systém | Hmotnost (kg) |
| AKQM250 | 1 | 250 | 380 | 3 | 50 | 0.04 | 0.57 | S4 (30%) | 23 |
| AKQM500 | 0.5 | 500 | 380 | 3 | 50 | 0.04 | 0.57 | S4 (30%) | 23 |
| AKQM1000 | 1 | 1000 | 380 | 3 | 50 | 0.04 | 0.57 | S4 (30%) | 37 |
| AKQM2000 | 0.5 | 2000 | 380 | 3 | 50 | 0.04 | 0.57 | S4 (30%) | 37 |
AKQSM jednofázové regulační údaje o výkonu pohonu
| Model | Rychlost (RPM) | Točivý moment (n.m) | Napětí napětí (V) | Číslo fáze energie (pH) | Frekvence (Hz) | Motor Power (KW) | Hodnocený proud (A) | Pracovní systém | Hmotnost (kg) |
| AKQSM250 | 1 | 250 | 220 | 1 | 50 | 0.04 | 1.14 | S4 (30%) | 23 |
| AKQSM500 | 0.5 | 500 | 220 | 1 | 50 | 0.04 | 1.14 | S4 (30%) | 23 |
| AKQSM1000 | 1 | 1000 | 220 | 1 | 50 | 0.04 | 1.14 | S4 (30%) | 37 |
| AKQSM2000 | 0.5 | 2000 | 220 | 1 | 50 | 0.04 | 1.14 | S4 (30%) | 37 |
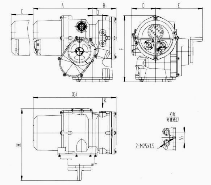
AKQ Částečný rotační inteligentní ovladač externí rozměry
| Parametry pohonu \ Specifikace pohonu | A | B | C | D | E | F | (G) | (H) | (I) |
| AKQ125-500 | 306 | 124 | 160 | 135.5 | 202.5 | 277 | 430 | 338 | 54 |
| AKQ600-2000 | 308 | 121.5 | 160 | 123.5 | 245 | 340 | 428.5 | 368.5 | 52 |
Obrys AKQ DJ a rozměry připojení částečného rotačního ovladače základního typu
| Parametry pohonu \ Specifikace pohonu | A1 | A2 | A3 | A4 | C | D1 | D | E | F | F1 | F2 | H1 | H2 | H3 | H4 | H5 | n-φD1 | 4-φd2 |
| AKQ DJ1 | 240 | 280 | 180 | 220 | 180 | 100 | 100 | 22 | 68.5 | 20 | 17.5 | 382 | 288 | 124 | 306 | 160 | 18 | 17.5 |
| AKQ DJ2 | 240 | 280 | 200 | 250 | 180 | 200 | 250 | 30 | 93 | 25 | 55 | 425 | 356 | 136 | 308 | 160 | 2-20 | 22 |
Rozměry struktury lineárního ovladače AKQML
| Model | Jmenovité zatížení N | Hodnocené cestování mm | Hodnocená rychlost mm/s | Otvor připojení kmene ventilu F | Připojení příruby D1 | Vnitřní otvor příruby D2 | Otvora příruby D3 | Příruba spojovacího ventilu D4 | A | B | H |
| AKQML-64/2710 | 6400 | 10 | 0.27 | M8 × 1,25 | φ80 | φ60d11 | 2 -111 | φ125 | 649 | 377 | 81 |
| AKQML-64/2716 | 16 | 0.27 | 75 |
Velikost příruby AKQ
| Parametry pohonu \ Specifikace pohonu | D | D1 | N | d | T | d1 | |
| AKQ125-500 | F05 | φ50 | φ38 | 20 | φ25 | φ50 | M6 |
| F07 | φ70 | φ55 | 30 | φ35 | φ70 | M8 | |
| F10 | φ102 | φ69 | 30 | φ42 | φ102 | M10 | |
| AKQ600-1000 | F12 | φ125 | φ98 | 50 | φ65 | φ125 | M12 |
| F14 | φ140 | φ98 | 50 | φ65 | φ140 | M16 | |


















